Description
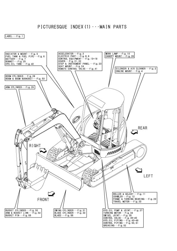
Comprehensive parts manual and wiring diagram for the Yanmar VIO45 excavator. Essential for maintenance, repair, and troubleshooting. Detailed illustrations and diagrams provide accurate parts identification and electrical system schematics. A valuable resource for technicians and owner-operators ensuring optimal equipment performance and longevity.















Reviews
There are no reviews yet.