Description
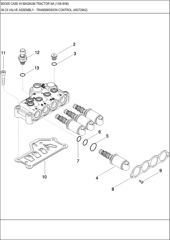
Comprehensive parts catalog for the Case IH MX305 Magnum tractor. This catalog provides detailed diagrams and part numbers for accurate identification and ordering. Essential for maintenance, repair, and restoration projects. Ensure proper fitment with this valuable resource.











Reviews
There are no reviews yet.