Description
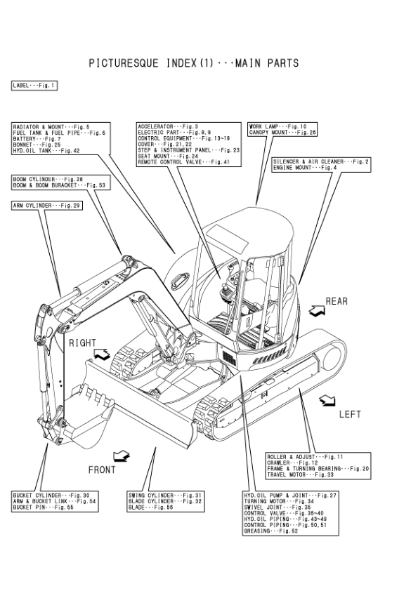
Comprehensive parts manual and wiring diagram for the Yanmar VIO55 Excavator. This essential resource provides detailed component breakdowns and electrical schematics, aiding in efficient troubleshooting, repair, and maintenance. A valuable tool for technicians and owners ensuring optimal equipment performance.
















Reviews
There are no reviews yet.