Description
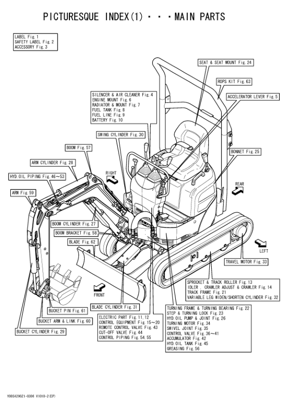
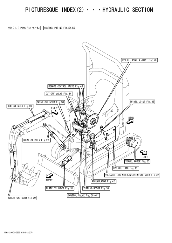
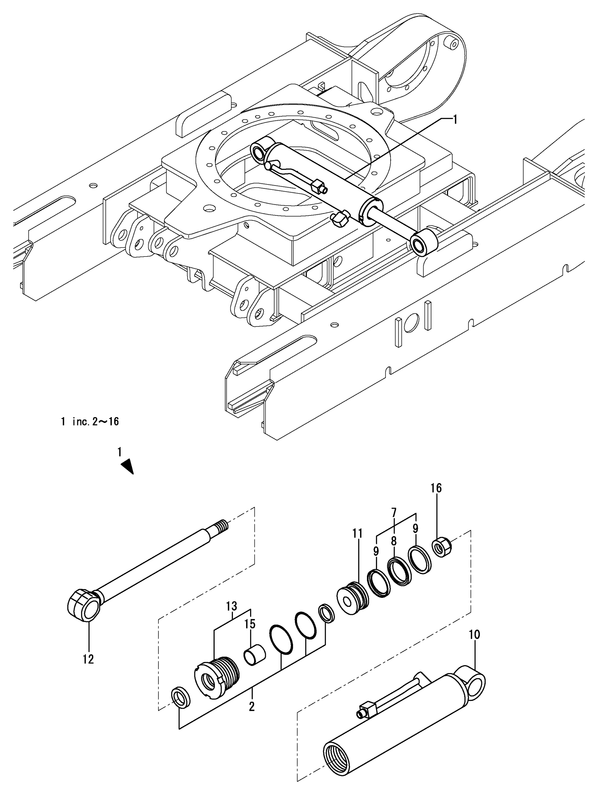
Yanmar VIO10-2 Excavator Parts Manual Wiring Diagram This comprehensive manual provides detailed parts information and wiring diagrams for the Yanmar VIO10-2 excavator. It is an essential resource for maintenance, repair, and troubleshooting, enabling efficient parts identification and electrical system diagnostics.















Reviews
There are no reviews yet.