Description
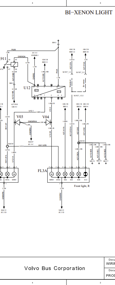
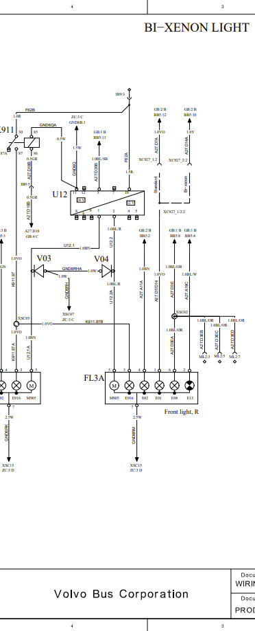
The wiring diagram manual provides detailed electrical schematics for Volvo buses equipped with B13R chassis paired with D13C and D13F engines. It includes comprehensive layouts and connections for electrical systems, components, and circuits. The manual is essential for diagnosing and repairing electrical issues, ensuring proper electrical integration and functionality. This document is crucial for technicians and electricians working on these specific bus models to maintain optimal performance and safety.





Reviews
There are no reviews yet.