Description
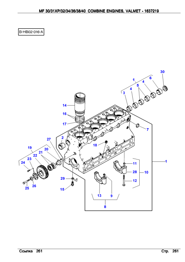
Valmet 612 DSBIL Engine Parts Catalog. This catalog provides detailed parts information and exploded views for the Valmet 612 DSBIL engine, assisting in accurate parts identification and ordering for maintenance and repair. Valmet 612 DSBIL Engine Parts Catalog. This comprehensive parts catalog is an essential resource for technicians and mechanics working on Valmet 612 DSBIL engines. It offers detailed illustrations and part numbers to ensure accurate identification and procurement of necessary components.











Reviews
There are no reviews yet.