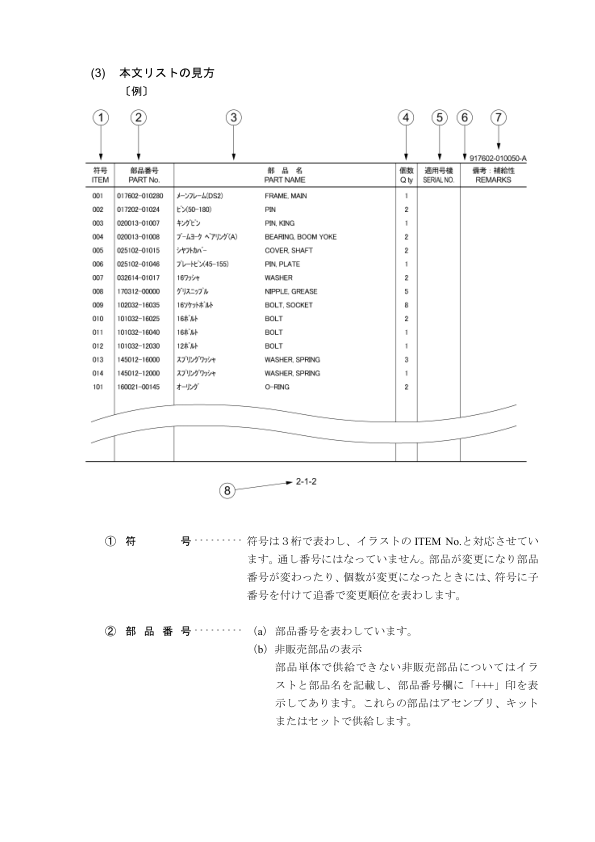
Furukawa HCR910DS Hydraulic Crawler Drill Parts Catalog
15 $
Manual Type: Parts Catalog
Brand: Furukawa
Number Pages: 747
Document size: 40.17 MB
Format: PDF
Language(s): English, Japanese
15 $
Manual Type: Parts Catalog
Brand: Furukawa
Number Pages: 747
Document size: 40.17 MB
Format: PDF
Language(s): English, Japanese
















Reviews
There are no reviews yet.