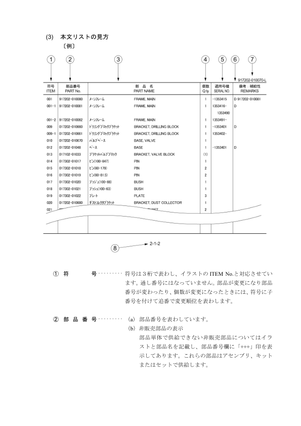
Furukawa HCR1200EDII Hydraulic Crawler Drill Parts Catalog
15 $
Manual Type: Parts Catalog
Brand: Furukawa
Number Pages: 1347
Document size: 35.91 MB
Format: PDF
Language(s): English, Japanese
15 $
Manual Type: Parts Catalog
Brand: Furukawa
Number Pages: 1347
Document size: 35.91 MB
Format: PDF
Language(s): English, Japanese














Reviews
There are no reviews yet.