Description
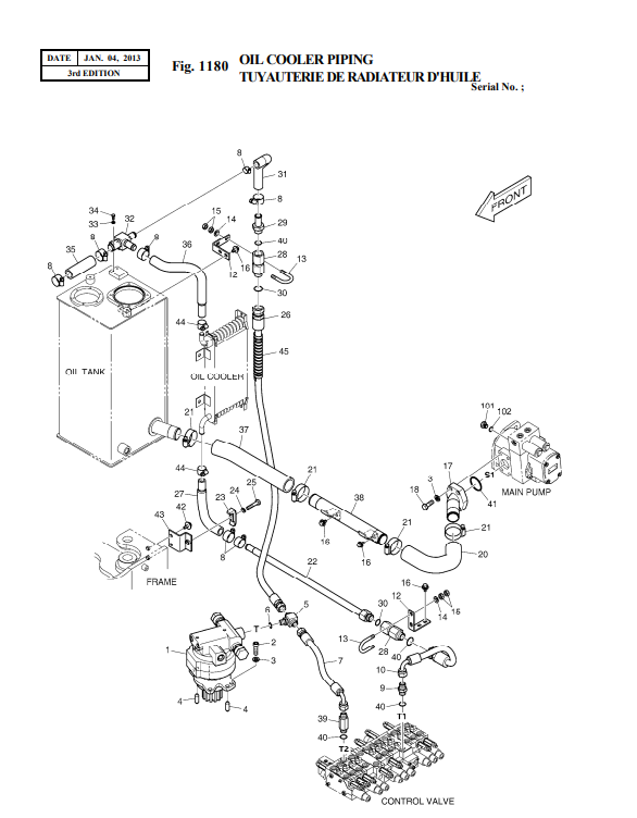
Doosan DX27 Z Excavator Parts Catalog. This comprehensive catalog provides detailed parts information and diagrams for the Doosan DX27 Z excavator, enabling accurate identification and ordering of replacement components for maintenance and repair. Doosan DX27 Z Excavator Parts Catalog. This catalog is your essential resource for identifying and sourcing the correct replacement parts for your Doosan DX27 Z excavator, ensuring efficient repairs and minimizing downtime.














Reviews
There are no reviews yet.