Description
CASE Steyr CS110 CS120 CS130 CS150 Tractors Workshop Manual and Documentation is pack 3-file bundle for CASE Steyr CS110 / CS120 / CS130 / CS150 (tractors): Workshop Manual, Transmission T7200 – How It Works, and Hydraulic Schematics (A3 foldouts). A complete service set with repair procedures, T7200 transmission theory, and large A3 hydraulic diagrams for easy circuit tracing.
Workshop Manual – service & repair procedures for CS110 / CS120 / CS130 / CS150
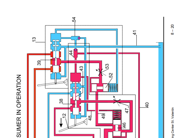
Transmission T7200 – How It Works – operating theory, construction & oil flow paths
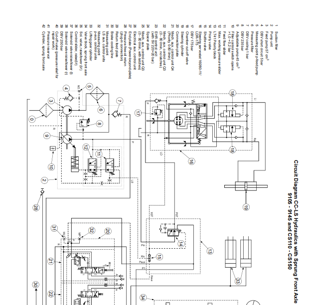
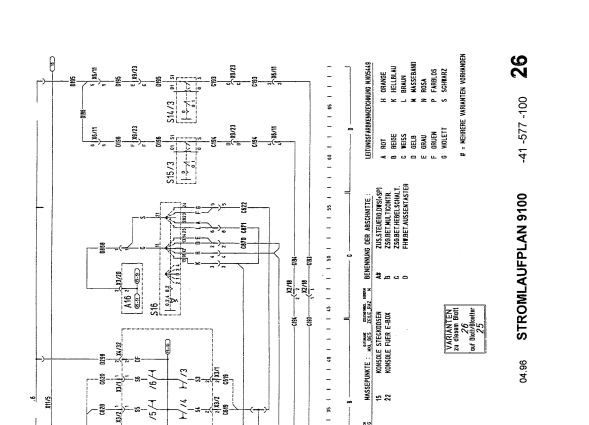
Hydraulic Schematics (A3 foldouts) – large A3 hydraulic diagrams for easy circuit tracing













Reviews
There are no reviews yet.