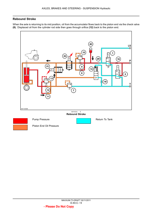
CASE Maxxum Tractor Tier 3 Workshop Manual
15 $
Manual Type: Workshop Manual
Brand: CASE
Number Pages: 4200
Document size: 128.10 MB
Format: PDF
Language(s): English
15 $
Manual Type: Workshop Manual
Brand: CASE
Number Pages: 4200
Document size: 128.10 MB
Format: PDF
Language(s): English













Reviews
There are no reviews yet.