CASE Farmall 75N 85N 95N 105N 105V Tier 3 Tractor Service Manual NA
16 $
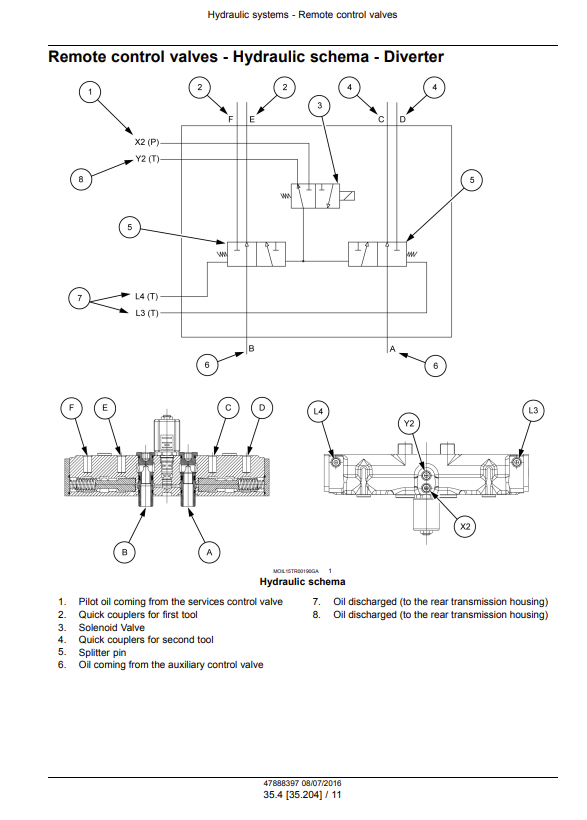
Manual Type: Service Manual
Brand: CASE
Number Pages: 2545
Document size: 170.29 MB
Format: PDF
Language(s): English
FARMALL® 75N with cab PIN Z8JF19102 – ZCJF10907; FARMALL® 75N with cab PIN ZCJF06107 and above;
FARMALL® 75N without cab PIN Z9JF01865 – ZCJF07697; FARMALL® 75N without cab PIN ZCJF07813 and above;
FARMALL® 85N with cab PIN Z8JF17086 – ZCJF09425; FARMALL® 85N with cab PIN ZCJF08828 and above;
FARMALL® 85N without cab PIN Z9JF01936 – ZCJF10868; FARMALL® 85N without cab PIN ZCJF16077 and above;
FARMALL® 95N with cab PIN Z9JF00469 – ZCJF10732; FARMALL® 95N with cab PIN ZCJF13045 and above;
FARMALL® 95N without cab PIN Z9JF01090 – ZCJF05141; FARMALL® 95N without cab PIN ZCJF15989 and above
FARMALL® 105N with cab PIN ZBJF20417 and above; FARMALL® 105N without cab PIN ZCJF16900 and above;
FARMALL® 105V with cab PIN ZBJF20562 and above; FARMALL® 105V without cab PIN ZDJF09419 and above


















Reviews
There are no reviews yet.