Description
Bobcat Excavator E27ZZ Service Manual B4R7 This essential guide is designed to provide comprehensive support for the maintenance, repair, and operation of your Bobcat E27Z excavator. Whether you’re a professional technician or a dedicated equipment owner, this manual ensures you have the knowledge to keep your machine running efficiently and reliably.
- Detailed Technical Guidance: Step-by-step instructions for routine maintenance, troubleshooting, and system diagnostics.
- Accurate Specifications: Access to critical information on engine performance, hydraulic systems, and electrical components.
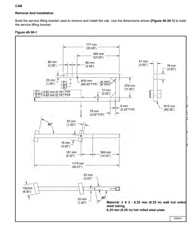
- Visual Aids: Clear diagrams and illustrations to simplify complex procedures and enhance understanding.
- Safety Protocols: Emphasizes proper procedures to prevent accidents and ensure operator safety during service tasks.
- Troubleshooting Sections: Helps identify and resolve common issues quickly, reducing downtime and repair costs









Reviews
There are no reviews yet.