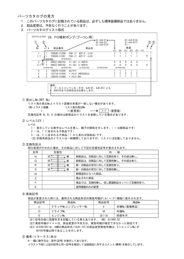
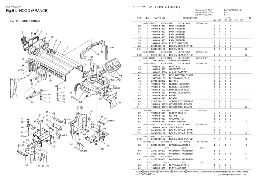
Yanmar YM186 YM186D Tractors Parts Catalog
16 $
Manual Type: Parts Catalog
Brand: Yanmar
Number Pages: 172
Document size: 5.63 MB
Format: PDF
Language(s): English
16 $
Manual Type: Parts Catalog
Brand: Yanmar
Number Pages: 172
Document size: 5.63 MB
Format: PDF
Language(s): English











Reviews
There are no reviews yet.