Description
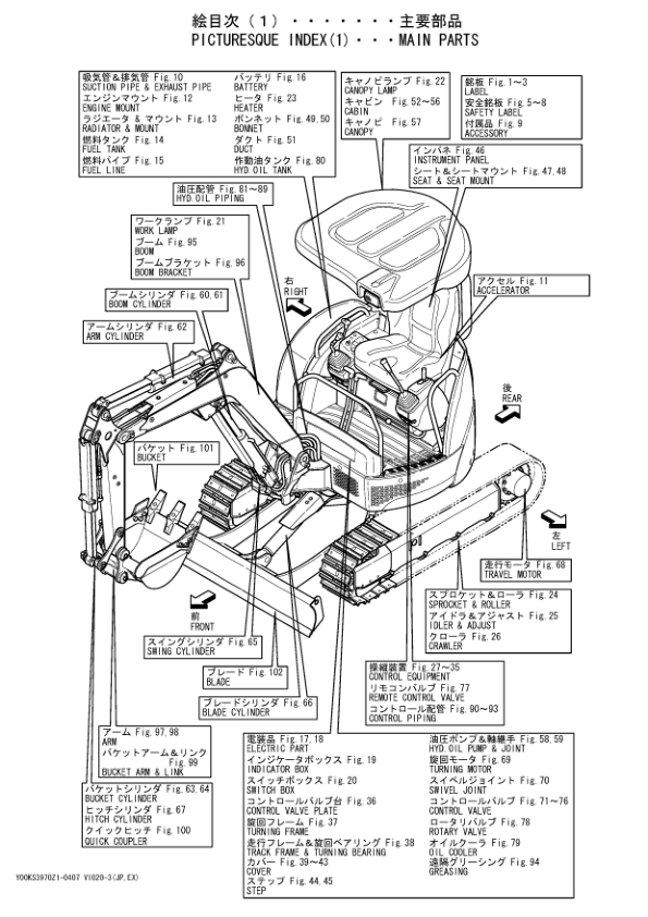
Yanmar VIO20-3 Excavator Parts Manual Wiring Diagram This comprehensive manual provides detailed parts information and wiring diagrams for the Yanmar VIO20-3 excavator. It is an essential resource for maintenance, repair, and troubleshooting, ensuring accurate parts identification and electrical system understanding. Yanmar VIO20-3 Excavator Parts Manual Wiring Diagram This manual serves as a vital resource for owners and technicians, offering comprehensive parts breakdowns and detailed wiring schematics specifically for the Yanmar VIO20-3 excavator model. It facilitates efficient parts ordering and accurate electrical system diagnostics.
















Reviews
There are no reviews yet.