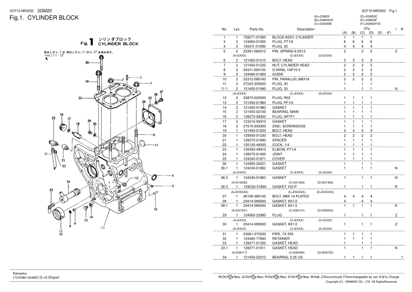
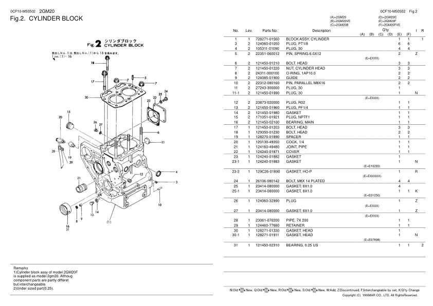
Yanmar 2GM20 2GM20B 2GM20C 2GM20F Marine Diesel Engine Parts Catalog
16 $
Manual Type: Parts Catalog
Brand: Yanmar
Number Pages: 128
Document size: 2.54 MB
Format: PDF
Language(s): English
16 $
Manual Type: Parts Catalog
Brand: Yanmar
Number Pages: 128
Document size: 2.54 MB
Format: PDF
Language(s): English











Reviews
There are no reviews yet.