Sale!
Manual in PDF format will be available for instant download.
The photos display random, authentic pages from the offered document.
We can translate it into any language while preserving its structure. Click here for more information.
We have manuals for almost all cars, machines, and devices. If you are looking for something, just contact us.
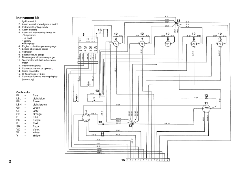
Volvo Penta MD2010- MD2040, MD22, TMD22, TAMD22 Wiring Diagram Workshop Manual
Original price was: 15 $.12 $Current price is: 12 $.
Manual Type: Electrical Workshop Manual
Brand: Volvo
Number Pages: 32
Document size: 0.62 MB
Format: PDF
Language(s): English






















Reviews
There are no reviews yet.