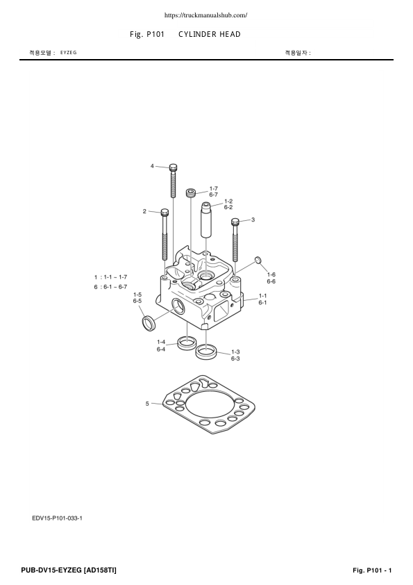
Description
Doosan AD158 TI Engine Parts Catalog is a comprehensive guide for identifying and ordering replacement parts for the Doosan AD158 TI engine. It provides detailed illustrations and part numbers to ensure accurate identification and procurement of necessary components for maintenance and repair. Doosan AD158 TI Engine Parts Catalog offers a complete resource for locating and purchasing the correct parts for your Doosan AD158 TI engine. This catalog features exploded views and detailed part listings, facilitating efficient and accurate parts identification for service and overhaul procedures.













Reviews
There are no reviews yet.